Heritage-Satellite-Serie Druckmessumformer

Emerson Paine™ 213 Heritage-Satellite-Serie Druckmessumformer

  • Weltraumqualifizierter verstärkter Drucktransmitter
  • Druckbereiche von 0–500 PSIA bis 0–5000 PSIA
  • Betriebstemperaturbereich −29 °C bis +70 °C
  • Genauigkeit von ±1,5 % vom Endwert
  • 0–5 VDC Ausgang mit geringer Restwelligkeit
  • Entwickelt gemäß EEE INST-002/MSFCSTD-3012 Level 2 Standards

Der Emerson Paine 213 Heritage-Satellite Series Drucktransmitter ist ein leistungsstarker, verstärkter Transmitter für die präzise Druckmessung in anspruchsvollen Umgebungen wie der Luft- und Raumfahrt sowie in orbitalen Systemen. Entwickelt zur Erfüllung strenger Raumfahrt- und Startanforderungen, wurde diese Serie in langjähriger Anwendung in Satelliten-Triebwerks-Propellantsystemen, in der Füllstandsmessung von Raumfahrzeug-Propellanttanks sowie in Aktuatorsteuerungen perfektioniert. Mit Druckbereichen von 0–500 PSIA oder 0–5 000 PSIA liefert das Gerät präzise und zuverlässige Messwerte über weite Druck- und Temperaturbereiche. Die Elektronik entspricht den EEE INST-002/MSFCSTD-3012 Level 2 Standards und gewährleistet langfristige Stabilität sowie hohe Widerstandsfähigkeit gegenüber Schock- und Vibrationsbelastungen. Der Betrieb erfolgt mit +22 VDC bis +39 VDC inklusive Verpolschutz. Das Gerät liefert ein 0–5 VDC Analogausgangssignal mit minimaler Restwelligkeit (Ripple) und ist mit allen kompatiblen Medien in Verbindung mit 15-5 PH CRES und 321 CRES einsetzbar.

Hauptmerkmale:

  • Weltraumqualifizierter verstärkter Drucktransmitter
  • Druckbereiche: 0–500 PSIA (34 bar) und 0–5 000 PSIA (344 bar)
  • Genauigkeit ±1,5 % vom Endwert über den kalibrierten Temperaturbereich
  • Betriebstemperatur −29 °C bis +70 °C (−20 °F bis +158 °F)
  • 0–5 VDC Analogausgang (geringe Restwelligkeit)
  • Verpolschutz sowie robustes Design für Schock- und Vibrationsbelastungen
  • Elektronik gemäß EEE INST-002/MSFCSTD-3012 Grade 2 Standard
  • Kundenspezifische Transmitter-Optionen für anwendungsspezifische Ausführungen verfügbar

Anwendungsbranchen und Einsatzbereiche:

  • Luft- und Raumfahrt & Verteidigung: Drucküberwachung in Satellitenantrieben und Raumfahrtsystemen
  • Orbitale Systeme & Weltraumforschung: Kritische Druckmessung in Raumsonden- und Startanwendungen
  • Hochzuverlässige Systeme: Missionskritische hydraulische und pneumatische Steuerungen
  • Test- und Simulationsanlagen: Kalibrierung von Hochdruck-Instrumentierung für die Luft- und Raumfahrt
  • Extreme Umgebungen: Robuste Messungen bei hohen Schock- und Vibrationsbelastungen

Spezifikationen

Serie / Modell

Genauigkeit

Ausgang

Druckbereich

,

Prozessmedien

Temperaturbereich (°C)

-29°C to +70°C

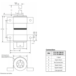
Standard-TeilenummerDruckbereich PSIA (BAR)Proof pressure PSIA (BAR)Burst pressure PSIA (BAR)
213-76-860-010-500 (0-34)750 (51)1.250 (86)
213-36-740-010-5.000 (0-344)6.300 (434)10.500 (723)

Produktvariationen

SKUDruckbereich
213-76-860-010-500 PSIA (0-34 bar)
213-36-740-010-5000 PSIA (0-344 bar)

Ähnliche Produkte

  • Paine

Emerson Paine™ 213 Heritage-Satellite-Serie Druckmessumformer