Micro-Foil® Oberflächentemperatursensoren

RdF 20101 Serie

  • Butt-gebundenes Folienthermoelement
  • Micro-foil®-Dicke von 0,0128 mm (0,0005″)
  • Isolationswiderstand von 50 MΩ bei 50V Gleichstrom in ungeerdeten Verbindungsthermoelementen
  • 2-Draht-Konfiguration
  • Herausnehmbarer Kapton®-Rahmen für Anwendungen mit blanker Folie
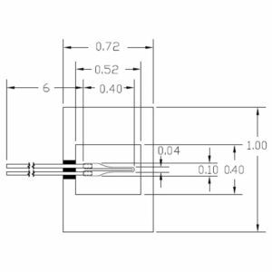
  • Standardleiterlänge von 6 Zoll, zusätzliche Längen auf Anfrage verfügbar

Die 20101 butt gebondete Folientyp E (Chromel/Constantan) Thermoelement-Temperatursensoren-Serie von RdF bieten eine hohe Leistung und sind ideal für anspruchsvolle Anwendungen. Diese Oberflächenthermoelemente bieten eine Genauigkeit von ±1,7°C oder ±0,5% mit einer schnellen Reaktionszeit von 0,5s (nicht geerdet) und 0,25s (geerdet), bis der Sensor 63,2% einer Änderung der Montagetemperatur erreicht. Dieses Typ E Thermoelement bietet einen Betriebstemperaturbereich von -200°C bis +900°C. Die 20101-Serie von RDF nutzt die Stampfbindung, die Thermoelemente ohne Zunahme von Dicke oder Masse an der Verbindungsstelle produziert. Dies bietet eine Micro-Foil® Dicke von 0,0128mm (0,0005″). Die Sensoren verfügen über einen abnehmbaren Kapton®-Rahmen für die Anwendung von blankem Folien.

  • Butt gebondetes Folien-Thermoelement
  • Typ E (Chromel/Constantan)
  • Genauigkeit von ±1,7°C oder ±0,5%
  • Temperaturbereich -200°C bis +900°C
  • Betriebsstrom von 0,5mA
  • Micro-Foil® Dicke von 0,0128mm (0,0005″)
  • Reaktionszeit von 0,5s (nicht geerdet) und 0,25s (geerdet), bis der Sensor 63,2% einer Änderung der Montagetemperatur erreicht
  • Isolationswiderstand von 50MΩ mindestens bei 50 VDC in nicht geerdeten Verbindungspunkten von TEs
  • Leitungen sind punktweise farbcodierte Flachbandkabel
  • Standard-Leitungslänge 6″, zusätzliche Längen auf Anfrage erhältlich
  • Abnehmbares Kapton®-Gehäusematerial für Anwendungen mit blanker Folie

Spezifikationen

Gewicht 0,00000 kg
Größe 0,72 × 0,40 × 0,00 mm
Genauigkeit

,

Betriebsstrom

0,5 mA

Gehäuse / Größe

Ansprechzeit

0,25s (geerdet), 0,5s (ungeerdet)

Serie / Modell

Temperaturbereich (°C)

-200 bis +900°C

Ähnliche Produkte

  • RdF

RdF 20101 Serie