Wir stellen aus auf der Space Tech Europe 2025

Space Tech Expo Europe, 18-20th November 2025, Bremen, Deutschland, Stand G56

Differenzdruck-Messumformer

Emerson Paine™ 210-60-090 Serie

  • Sehr geringe thermische Empfindlichkeitsänderung von ±0,01 % des Endwertes pro °C
  • Kleine, leichte Anbauweise für einfache Installation
  • Temperaturkompensiertes Design bietet hochgenaue Druckmessungen
  • Stoß- und vibrationsbeständiges Design bietet hochgenaue und zuverlässige Drucküberwachung unter verschiedenen Betriebsbedingungen
  • Robuste Lösung hält widrigen Umgebungen stand für eine lang anhaltende Leistung
  • Maßgeschneiderte elektrische Anschlüsse und Druckanschlussadapter sind auf Anfrage erhältlich

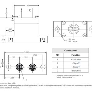
Die Paine™ 210-60-090 Differenzdrucktransducer-Serie von Emerson bietet Messdruckbereiche von ±500 PSID bis zu ±5000 PSID, alles in einer kompakten Größe. Der 210-60-090 von Emerson ist mit zwei separaten Sensorelementen ausgestattet, um den Druck an den Eingangsanschlüssen zu messen. Dieses Gerät hat eine sehr geringe thermische Verschiebung von ±0,01% des Vollbereichs pro °C auch in den härtesten Umgebungen und liefert eine differentielle Ausgabe sowie ein einzigartig kleines Design. Diese Transducer-Serie eignet sich ideal zur Messung von Differenzdruck in vielen Anwendungen, wie z. B. Positionsfeedback von Aktuatoren von Servoventilen bis hin zu Automobil- und Luftfahrttestumgebungen.

  • Differenzdrucktransducer
  • Druckbereiche verfügbar von ±500 PSID bis ±5000 PSID
  • Betriebstemperatur −53°C bis +121°C
  • Kompensierte Temperatur −31°C bis +121°C
  • Kleine, leichtgewichtige Anbindung im Verteilerstil für eine einfache Installation
  • Genauigkeit von P1=2mV/V ±10% und P2=P1 ±2% von P1
  • Ausgabe von mV/V
  • Betriebsmedium beliebig kompatibel mit 300er Serie CRES, Buna-N-Kautschuk, 2024-T351 AL und PH CRES
  • Sehr geringe thermische Empfindlichkeit von ±0,01% des V.B. pro °C
  • Temperaturkompensiertes Design für hochpräzise Druckmessungen
  • Stoß- und vibrationsbeständiges Design bietet hochpräzise und zuverlässige Drucküberwachung in vielen Betriebsbedingungen
  • Robuste Lösung hält in anspruchsvollen Umgebungen eine lang anhaltende Leistung aus
  • Individuelle elektrische Anschluss- und Druckportadapter sind auf Anfrage erhältlich

Potenzielle Anwendungen für die Paine™ 210-60-090 Serie umfassen:

  • Prüfstände und Messungen
  • Hydraulische Robotersteuerungen
  • Industrielle Prozesssysteme
  • Positioniersysteme
  • Ventildruckregelung

Bitte sehen Sie unten die Drucktabelle für die Paine™ 210-60-090 Serie, welche Details zu den verfügbaren Standardprodukten sowie zu den Prüf- und Berstdruckwerten enthält:

Paine 210-60-090 Specifications

Spezifikationen

Gewicht 0,00000 kg
Größe 1,88 × 0,70 × 1,15 mm
Ausgang

Druckbereich

, , , , , , , ,

Prozessmedien

Serie / Modell

Temperaturbereich (°C)

-53,9 bis +121,11°C

Produktvariationen

SKUDruckbereich
Emerson Paine™ 210-60-0901000 PSI
Emerson Paine™ 210-60-0901500 PSI
Emerson Paine™ 210-60-0902000 PSI
Emerson Paine™ 210-60-0902500 PSI
Emerson Paine™ 210-60-0903000 PSI
Emerson Paine™ 210-60-0903500 PSI
Emerson Paine™ 210-60-0904000 PSI
Emerson Paine™ 210-60-0905000 PSI
Emerson Paine™ 210-60-090Kundenspezifisches Produkt

Ähnliche Produkte

  • Paine

Emerson Paine™ 210-60-090 Serie